Механизм слива для бачка унитаза покупается вместо оригинального компонента по причине поломки последнего. Обойтись без него невозможно, так как приспособление необходимо для движения жидкости по системе смывания отходов.
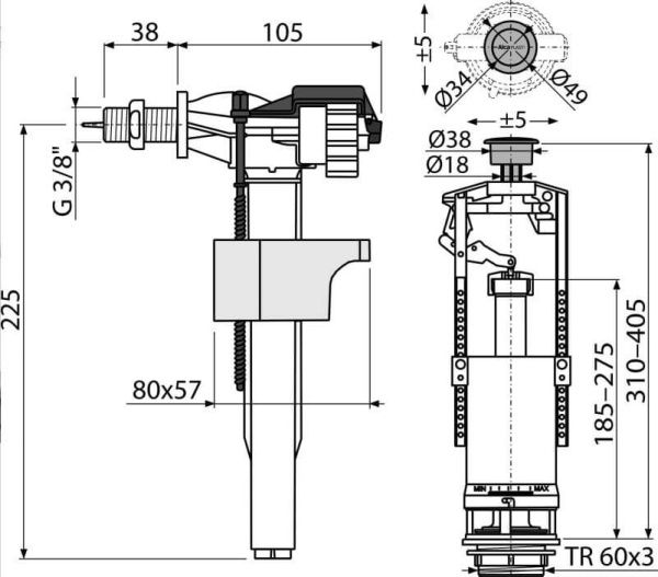
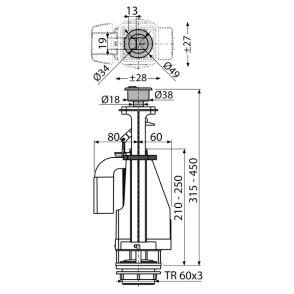
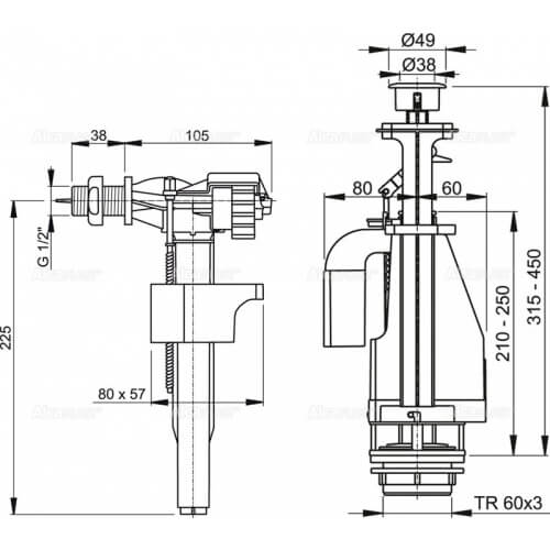
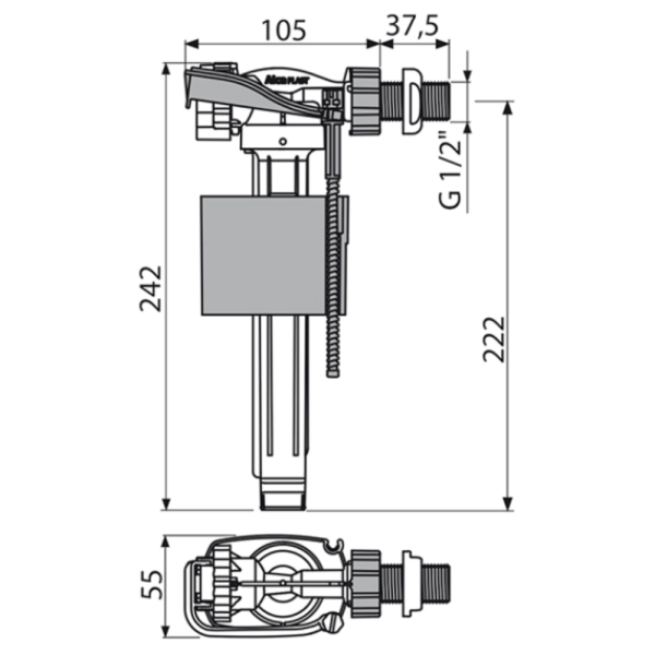
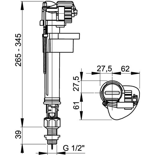
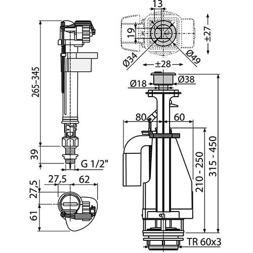
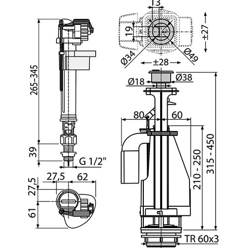
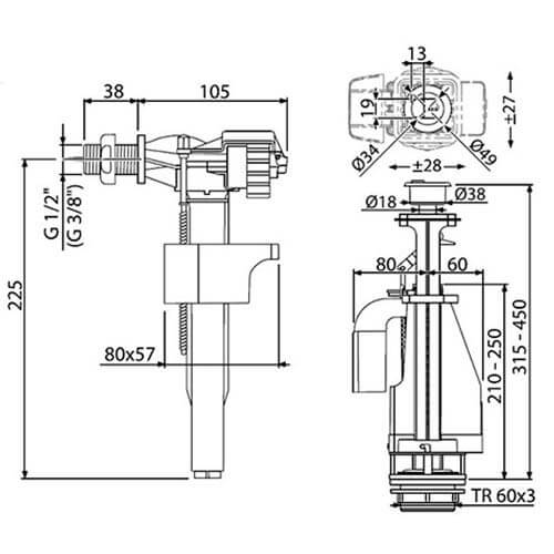
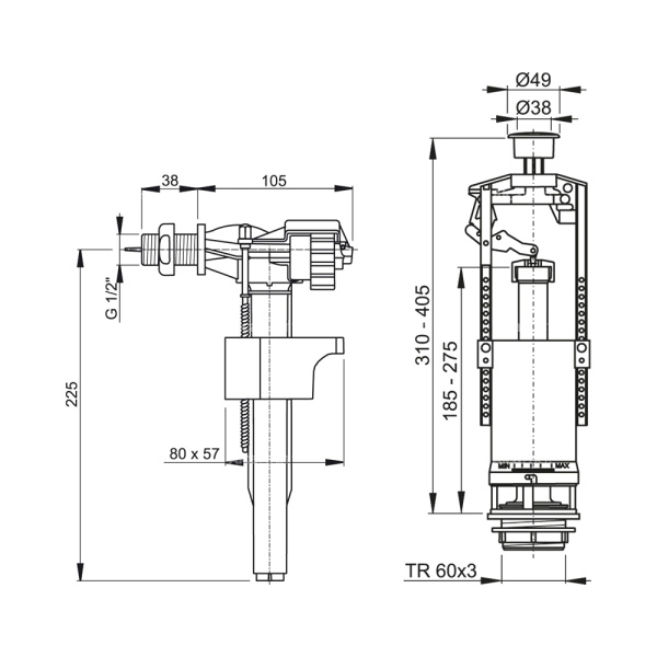
Конструкция механизма
Какие компоненты входят в конструкцию слива:
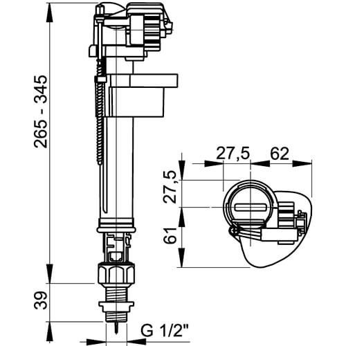
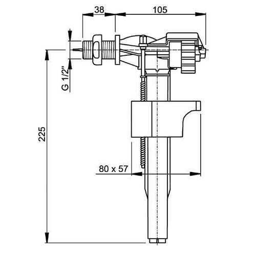
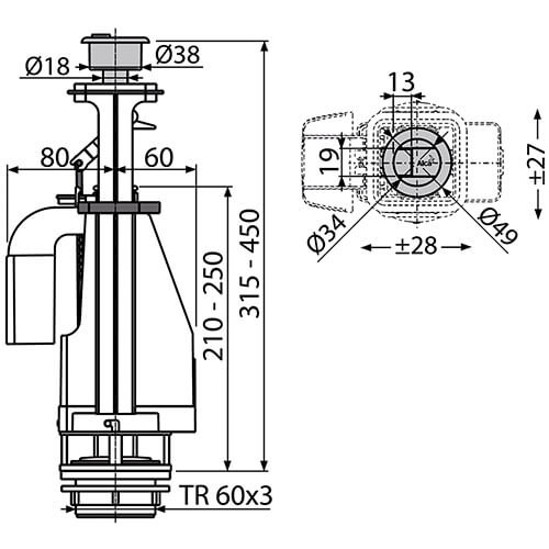
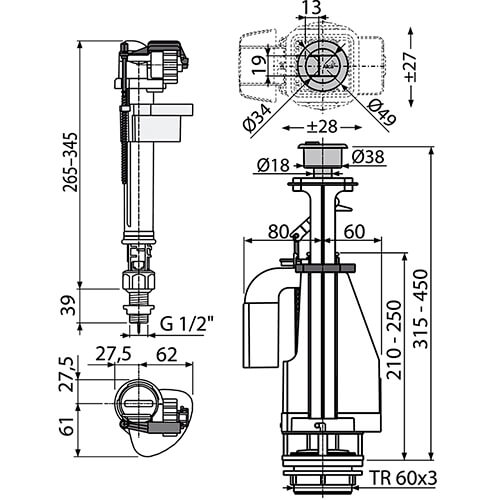
- Отверстие. Размещается в нижней точке, а также имеет определенный наклон для движения жидкости.
- Переливная трубка. Используется для движения жидкостей при наполнении чаши.
- Клапанная крышка. Фиксирует набранную жидкость для предотвращения самопроизвольных протечек.
- Кнопка. Основной компонент, при нажатии на который происходит сброс воды.
Производители унитазов выполняют эти элементы из прочных и долговечных материалов, что позволяет не беспокоиться за их эксплуатацию в течение всего срока службы сантехнического устройства. Выйти из строя они могут из-за высокоинтенсивной эксплуатации, что актуально для общественных мест, а также при воздействии излишне жесткой воды.

Подробнее о причинах поломки
Причины выхода из строя сливных механизмов:
- Материалы низкого качества. Детали арматуры не переносят постоянного воздействия, если выполнены из непрочных видов пластика. Со временем они деформируются и ломаются.
- Жесткая вода. Под этим термином подразумевается жидкость с избытком солей магния и кальция. Актуальна излишняя жесткость и при наличии активных компонентов хлора, используемого для обеззараживания водопроводных масс.
- Проблемы с поплавком. Если нарушена его герметичность, то он будет постоянно тонуть, из-за чего происходит медленный сброс жидкости.
- Нарушение правил монтажа. Проблема, которая проявляется сразу же после замены механизма или отдельных элементов. Проявляется в виде постоянного слива или посторонних звуков при наборе воды в баке.
Чаще всего неполадки проявляются на 2-3 год эксплуатации унитаза. Решить их ремонтом невозможно, поэтому проводится замена механизма.
Компания «Аквамир»
Воспользуйтесь каталогом компании «Аквамир», чтобы приобрести механизм слива для бачка унитаза, здесь Вы также сможете купить и другие комплектующие. На весь товар распространяется гарантия.
В нашем магазине Вы также можете заказать унитазы в сборе. Мы предлагаем подвесные и напольные модели. Задайте интересующие вопросы через форму обратной связи или по номеру: 8 (800) 551-51-25.








